-
萬達機械
·精細篩分設備
WANDA MACHINERY
設備概述
漿液篩是萬達機械經歷多年開發試驗,于10年前正式在市場推廣的成熟產品,目前在市場上陶瓷、食品、醫藥、化工、電子、粉末冶金、塑料橡膠、研磨等行業中的液體的篩分、過濾,特別是對于泥漿的篩分等公司在使用,且反映效果良好。該設備是采用國外振動篩之優點,結合我國企業生產特點及要求而生產的,其優點如下:
?電機
1)普通振動篩電機易燒,而萬達機械選用國內電機大品牌制造商合作,選用更匹配的電機,電機參振重量變少,電機負荷更少,因此電機更耐用。
2)電機軸承采用更耐用品牌軸承。
3)對電機進行改造,雙密封免注油。
?網架
1.網架采用單層網設計,避免以前工作網與襯網之間摩擦造成工作網使用壽命短的難題,篩網使用壽命之有2倍以上的提高。
2.由于為單層網設計,避免母網影響漿液流量的問題,處理能力大大的提高。
?振動體
我公司1米以下機型采用4.0板厚一次沖壓成型,更結實耐用(具體板厚根據使用環境和需求定制設計)。
?能耗
萬達漿液篩處理量是普通振動篩的1.5倍,即每兩臺設備可以頂三臺以上普通振動篩,降低了能耗,同時降低了生產成本,使企業更省電、便捷。

?設備特點
1、漿液過濾篩特殊設計篩框,框體高度更高,有效防止漿液飛濺。
2、振動體、篩框噴砂/噴塑(可選)處理,業內防腐防銹效果更好,設備使用更長。
3、漿液過濾篩采用品牌振動電機,較之業內其它品牌散熱更快、維護更簡單、使用壽命更長。
4、成熟的振動電機技術,設備總體更節能,更小功耗,激振力更強。
5、采用高含膠量密封圈,有效的防止漿液泄漏。
6、無上蓋設計,易于觀察篩面,出料口可以360度自由旋轉,篩網更換、清洗方便。
7、選用成熟的單網雙箍網架(可選),篩下物出料口位于振動體上,加快了排料速度,單位時間內效率更高。
8、底筒可根據用戶要求設計高度,無需安裝地基。
?安裝角度
直落式震動篩分機采用兩震動電機作反向等速回轉運動,當電機及電機軸上偏心塊具有不同的安裝角度時,會產生定向周期變化的激振力偶,物料旋轉方向會因此而不同。
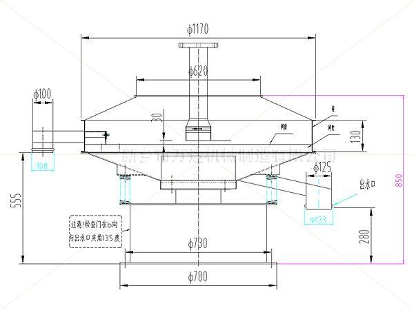
?設備參數

關于漿液篩、圓形搖擺篩、方形搖擺篩、平面回轉篩、超聲波振動篩、真空上料機、布袋除塵器等篩分輸送設備及除塵設備更多詳情,可隨時致電萬達機械詳詢,期待您的來電!
- 齊心協力,再創佳績-萬達機械年會盛典圓滿落幕... 2024-02-07
- 新鄉舉辦2023中原農谷首屆振動機械產業博覽會... 2023-08-26
- 2022中國(新鄉)振動篩分產業博覽會圓滿閉幕... 2022-09-06
- 超聲波振動篩與搖擺篩兩位同學的對話采訪... 2022-07-02
- 回轉篩與推拉篩到底一樣不一樣... 2022-06-24
- 圓形搖擺篩安裝調試注意事項... 2022-06-22
- 搖擺篩受歡迎的原因是它的優勢很突出... 2022-06-20
- 搖擺篩為啥能在市場上取得良好的表現... 2022-06-17
- 搖擺篩跟振動篩比有啥不一樣的優勢... 2022-06-15







豫公網安備 41071102000230號